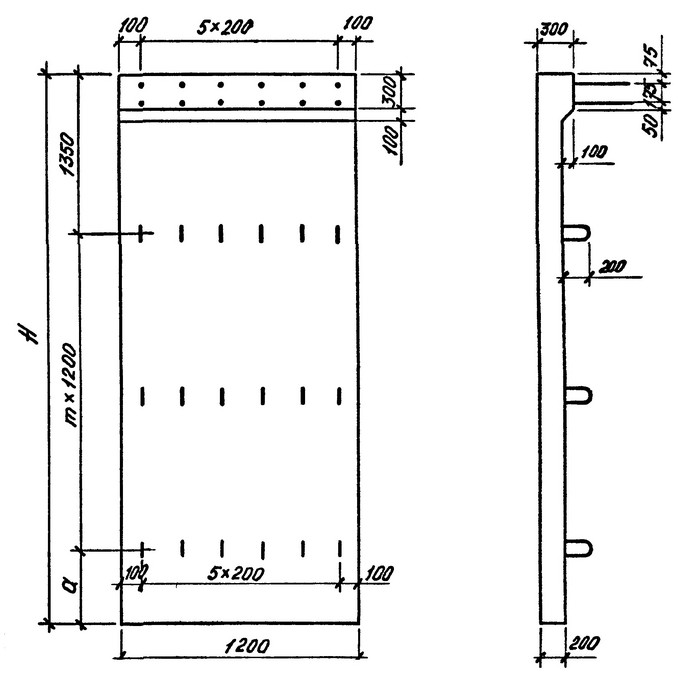
Плита фундаментная плоская ППФ 15-87 представляет собой железобетонное изделие, предназначенное для использования в строительстве фундаментов зданий и сооружений. Она имеет прочную и устойчивую конструкцию, способную выдерживать значительные нагрузки. Плита изготавливается из высококачественных материалов, что обеспечивает ей долгий срок службы и надежность в эксплуатации.
Плита фундаментная плоская ППФ 15-87 применяется для устройства фундаментов различных зданий и сооружений, в том числе жилых домов, промышленных объектов, складов и других строений. Она идеально подходит для создания прочной и устойчивой основы, способной выдерживать высокие нагрузки и обеспечивать долговечность конструкции. Плита обладает отличными техническими характеристиками и гарантирует надежность и безопасность строительных работ.
 
                 
         
         
         
                     
         
         
         
         
         
         
         
         
         
         
         
         
         
         
         
         
         
         
         
         
         
         
         
         
         
         
         
         
         
         
         
         
         
         
        _300x150_abd.jpeg) 
        _300x150_abd.jpeg) 
        _300x150_abd.jpeg) 
        _300x150_abd.jpeg) 
         
        _300x150_abd.jpeg) 
        _300x150_abd.jpeg) 
         
        _300x150_abd.jpeg) 
        _300x150_abd.jpeg) 
        _300x150_abd.jpeg) 
         
        _300x150_abd.jpeg) 
         
         
         
         
        _300x150_abd.jpeg) 
        _300x150_abd.jpeg) 
         
         
         
         
         
         
         
         
         
         
         
        _300x150_abd.jpeg) 
        _300x150_abd.jpeg) 
        _300x150_abd.jpeg) 
        _300x150_abd.jpeg) 
        _300x150_abd.jpeg) 
        _300x150_abd.jpeg) 
        _300x150_abd.jpeg) 
        _300x150_abd.jpeg) 
        _300x150_abd.jpeg) 
        _300x150_abd.jpeg) 
        _300x150_abd.jpeg) 
        _300x150_abd.jpeg) 
        _300x150_abd.jpeg) 
         
         
         
         
         
         
        _300x150_abd.jpeg) 
        _300x150_abd.jpeg) 
        _300x150_abd.jpeg) 
        _300x150_abd.jpeg) 
         
        _300x150_abd.jpeg) 
        _300x150_abd.jpeg) 
        _300x150_abd.jpeg) 
        _300x150_abd.jpeg) 
         
         
         
         
         
         
                         
                         
                         
                         
                    









 
             
        