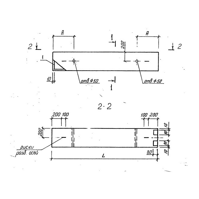
Колонна железобетонная 2КНД 60-60-4-40-00 представляет собой железобетонный элемент сечением 60х60 см и высотой 4 метра. Изготовлена из высококачественного железобетона, что обеспечивает прочность и долговечность конструкции. Применяется для возведения зданий и сооружений различного назначения.
Колонна железобетонная 2КНД 60-60-4-40-00 используется в строительстве как несущий элемент для создания опорных конструкций зданий и сооружений. Она подходит для использования в жилых, коммерческих и промышленных объектах. Обладая высокой прочностью и устойчивостью к внешним воздействиям, данная колонна обеспечивает надежность и безопасность строительных конструкций. Благодаря своим характеристикам, она является незаменимым элементом при возведении зданий любой сложности.









