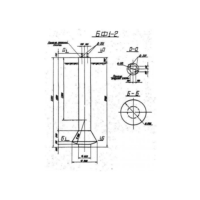
Фундамент серии 3.407.9-146 Серия 3.407-123 СС-1 предназначен для использования в строительстве как основание для различных сооружений. Он обладает высокой прочностью и надежностью, что позволяет ему выдерживать значительные нагрузки. Этот фундамент идеально подходит для строительства зданий, мостов, дорожных покрытий и других инженерных сооружений.









