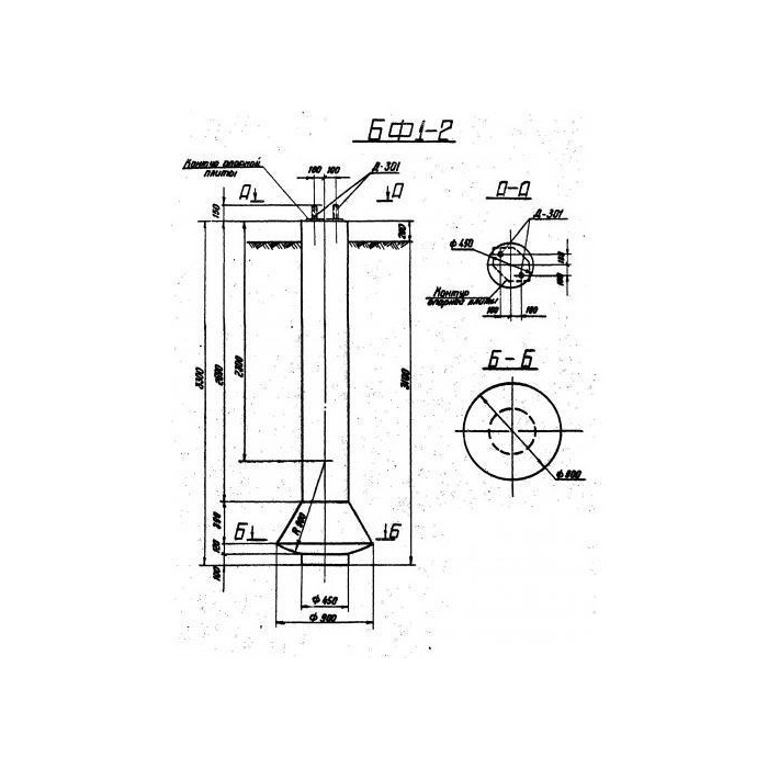
Фундамент серии 3.407.9-146 Серия 3.407-123 БФ3-2 представляет собой железобетонное изделие, предназначенное для использования в строительстве. Он имеет прочную конструкцию и высокое качество материалов, что обеспечивает надежность и долговечность фундамента.
Этот фундамент идеально подходит для строительства зданий, сооружений и других объектов, где требуется надежная опора и устойчивость к нагрузкам. Он может использоваться как для частных, так и для коммерческих строений, обеспечивая безопасность и долговечность конструкции.









